RESUME / CONTACT

RESEARCH
. . NiAl by CVD
. . . . System
. . . . Publications
. . . . Ph.D.
. . Al2O3 by MOCVD
. . . . System
. . . . Publications
. . . . Masters
. . Laser Interferometry
. . . . System
. . . . Publications
. . . . Senior Report

. . Lab Management
. . SEM Micrographs

TEACHING

RESIDENCE LIFE

STUDENT ORGS.

HOBBIES & INTERESTS

PROJECTS

PROF. SOCIETIES,
AFFILIATIONS
& LINKS

 

DOWNLOADS

DOCUMENT INDEX

WHAT'S NEW?

 

 

 

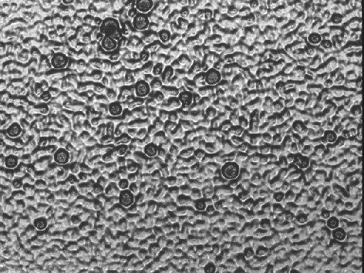
Coating: Aluminum oxide (Al2O3)
Substrate: Silicon (Si)
Method: optical
Magnification: ~200x

Description: Deposited with the Al2O3 MOCVD system, this coating was annealed for 20 hours at 1100 degrees Centigrade. During transformation from amorphous (non-crystaline "structure") to the stable alpha phase, the coating underwent a volume reduction of about 10 percent. This stress plus CTE mis-match stresses upon cooling created very large forces which caused the coating to spall (spring off), creating the diffrent patterns observed.

 

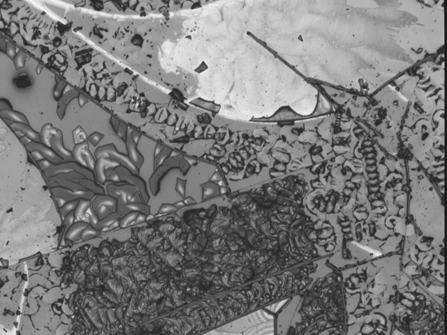
Coating: Aluminum oxide (Al2O3)
Substrate: Ceria-stabilized Zirconia (CSZ) on steel
Method: SEM
Magnification: 1000x

Description: The same coating and system were used as in the optical micrograph above, but this time the coating survived the annealing at 1100 degrees centigrade. The cracking and volume shrinkage due to phase transformation are very clear here. The coating remained attached becase the CTEs of Al2O3 and CSZ are quite close, and the CSZ is porous, making it able to absorb any remnant stresses.

 

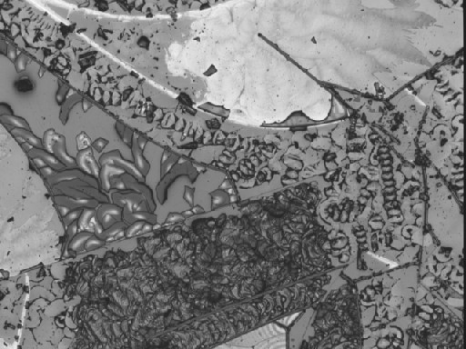
Coating: Aluminum oxide (Al2O3)
Substrate: Ceria-stabilized Zirconia (CSZ) on steel
Method: SEM
Magnification: 1000x

Description:

 

Coating: none
Substrate: Vektran
Method: SEM
Magnification: 2000x

Description:

 

Coating: Aluminum oxide (Al2O3)
Substrate: Silicon Nitride (Si3N4)
Method: Optical
Magnification: ~500x

Description: A continuous aluminum oxide coating about 100nm thick was deposited on the substrate morphology. After annealing at 1100 degrees Centigrade for 20 hours, the coating exhibited a "ridged" surface. I ti most likely that the coating has rearranged itself into smaller "pockets" in order to reduce the overall surface/interface energy.


Coating: Aluminum oxide (Al2O3)
Substrate: Silicon (Si)
Method: SEM
Magnification: 1000x

Description: The aluminum oxide coating on this substate is about 150nm thick. After annealing at 1100 degrees Centigrade for 20 hours, the coating exhibited a worm-like morphology. Occasional "mounds" are also observed, as at the top of the picture. This structure most likely evolved from the thermodynamic forces associated with reduction of the overal surface/interfacial energies.
white spots?

 

Coating: Aluminum oxide (Al2O3)
Substrate: Silicon (Si)
Method: SEM
Magnification: 10,000x

Description: Several cracks may also be observed running roughly North-South and East-West. These are a result of the phase transformation and volume reduction stresses created during annealing.

 

Coating: Aluminum oxide (Al2O3)
Substrate: Silicon (Si)
Method: SEM
Magnification: 5000x

Description: After annealing at 1100 degrees Centigrade for 20 hours, the coating transformed from amorphous to the crystalline alpha structure, as may be observed around the edges of the picture. The main feature appears to be a fully transformed region of the coating which has either retracted due to volume shrinkage or spalled a portion of the coating.

 

Coating: none
Substrate: Silicon Nitride (Si3N4)
Method: SEM
Magnification: 50x

Description: The same

 

Coating: Aluminum oxide (Al2O3)
Substrate: Silicon Nitride (Si3N4)
Method: SEM
Magnification: 3000x

Description: An aluminume oxide coating was deposited on this substrate by CVD. After ___________ at xxx degrees Centigrade for ___ minutes, a dual-phase structure developed. The two phases of aluminum oxide present are alpha (the most stable) as the large rock-like grains, and gamma as the platelet/cicular areas.

 

Coating: none
Substrate: Vektran
Method: SEM
Magnification: 2000x

Description:

 

Coating: none
Substrate: Vektran
Method: SEM
Magnification: 2000x

Description:

 

Coating: none
Substrate: Vektran
Method: SEM
Magnification: 2000x

Description: The fiber shown above is about one third the diameter of a human hair. The ridge in the center is from making two passes with a razor to cut the fiber. The curled "eye lashes" at the top of the fiber indicate that even the second pass with the razor was not enoubh, and the fiber had to be pulled apart.

 

Coating: none
Substrate: Vektran
Method: SEM
Magnification: 20,000x

Description: This is a close-up of the cut surface shown in the picture above. Note the sub-micron size cracks and the larger striations created when the fiber was cleaved.

 

Coating: Tantalum (Ta)
Substrate: Polymer-based foam
Method: SEM
Magnification: 10,000x

Description: For this sample, metallic Tantalum was deposited on a foam substrate. As the metal was deposited, the foam "scaffolding" was burned off, leaving behing a metallic foam-like structure. This open structure will be used to coat skeletal implants, providing the regenerating bone a structure with which it may bond mechanically.

     
Best viewed at 1280 x 1024.  

This page was last updated on 30Dec04.